บ้าน / สินค้า / เครื่องแปรงฟัน / เครื่องแปรงฟันความเร็วสูง VX7

เครื่องแปรงฟันความเร็วสูง VX7

ติดต่อเรา เครื่องแปรงฟันความเร็วสูง VX7
คุณสมบัติของผลิตภัณฑ์
  • การทำงานความเร็วสูง:

    มอบประสิทธิภาพที่รวดเร็วและมีประสิทธิภาพ

  • ผลการทำความสะอาดที่เหนือกว่า:

    รับประกันผลลัพธ์การทำความสะอาดที่ดี

  • การออกแบบที่กะทัดรัด:

    มีขนาดเล็ก เหมาะสำหรับการใช้งานแบบสแตนด์อโลนในสภาพแวดล้อมที่มีพื้นที่จำกัด

เครื่องวิ่งบนไซต์
บทนำประสิทธิภาพ

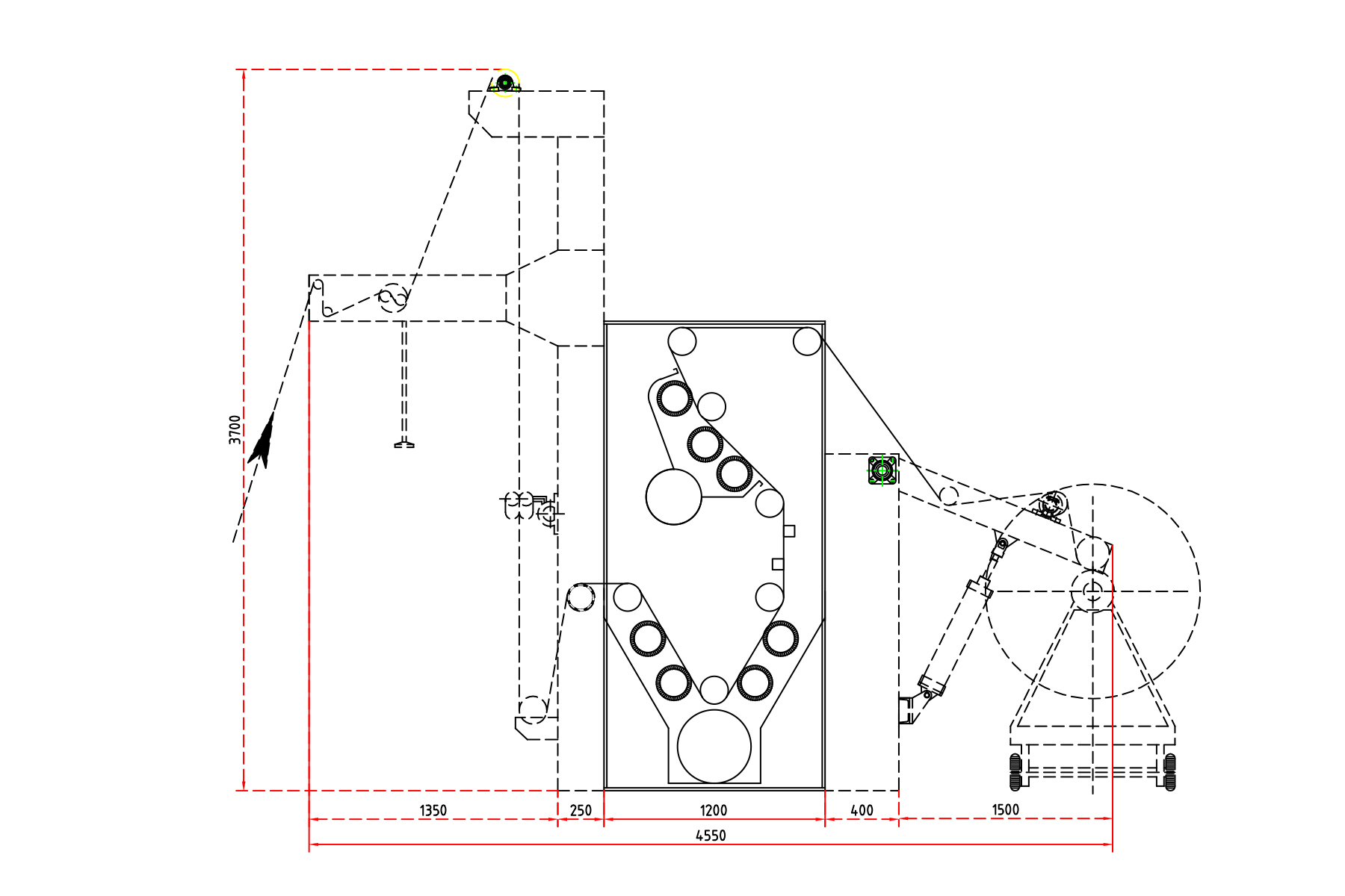
ออกแบบมาเพื่อการทำความสะอาดผ้าที่เหนือกว่า เครื่องแปรงสิ่งทอความเร็วสูง VX7 ประกอบด้วยลูกกลิ้งแปรง 7 อันในโครงสร้างขนาดกะทัดรัด ประหยัดพื้นที่ โดยไม่กระทบต่อความทนทาน

พารามิเตอร์ทางเทคนิค

ชื่อ

รายละเอียด

ความกว้างการทำงาน

2000~3600มม

ความกว้างผ้าสูงสุด

1800~3400มม

ความเร็วทางกล

5-100 ม./นาที (อุปกรณ์เสริม)

ปริมาณแปรง

7 ลูกกลิ้ง

กำลังติดตั้ง

21.7kw (รุ่น 200)

แผนภูมิขั้นตอนการทำงาน
  • เครื่องแปรงฟัน VX7
เกี่ยวกับเรา
Jiangsu Huayi Machinery Co., Ltd.
กว่าสองทศวรรษที่ผ่านมา Huayi เติบโตจากจุดเริ่มต้นเล็กๆ สู่องค์กรที่แข็งแกร่ง ด้วยสินทรัพย์ถาวรกว่า 50 ล้านหยวน โรงงานที่ทันสมัยของเรามีพื้นที่กว่า 10,000 ตารางเมตร พร้อมด้วยพื้นที่สำนักงานกว่า 1,000 ตารางเมตร เราเริ่มต้นจากเครื่องหนังกลับเพียงเครื่องเดียว และยึดมั่นในจิตวิญญาณแห่งนวัตกรรม พร้อมขยายขอบเขตการนำเสนอผลิตภัณฑ์อย่างต่อเนื่อง ปัจจุบัน เรามีเครื่องหนังกลับให้เลือกมากกว่า 30 รุ่น ครอบคลุมทั้งแบบแนวตั้ง แนวนอน แบบดาวเคราะห์ แบบแห้ง แบบเปียก และแบบ CNC เพื่อตอบสนองความต้องการของผ้าหลากหลายประเภท เช่น ผ้าฝ้าย โพลีเอสเตอร์ ผ้าทอ ผ้าถัก และแม้แต่ไมโครไฟเบอร์ พร้อมบริการปรับแต่งผ้าหนังกลับตามความต้องการของลูกค้า ในฐานะผู้ผลิตเครื่องหนังกลับและผู้จัดจำหน่ายเครื่องหนังกลับจากประเทศจีน ด้วยความมุ่งมั่นทุ่มเทกว่ายี่สิบปี เราได้เอาชนะความท้าทายทางเทคนิคมากมายในวงการหนังกลับ และประสบความสำเร็จในการปรับปรุงและพัฒนาผลิตภัณฑ์ของเราอย่างต่อเนื่อง ส่งผลให้เครื่องหนังกลับของ Huayi กลายเป็นมาตรฐานใหม่ในอุตสาหกรรม และได้รับการยอมรับและยกย่องอย่างกว้างขวาง ผลแห่งปัญญาและนวัตกรรมเป็นแรงผลักดันการพัฒนาของเรา ดังเห็นได้จากสิทธิบัตรสิ่งประดิษฐ์ 31 ฉบับ และสิทธิบัตรแบบอรรถประโยชน์ 30 ฉบับ ซึ่งเป็นเครื่องพิสูจน์ถึงความเชี่ยวชาญทางเทคนิคของเรา ตั้งแต่ปี 2559 บริษัทของเราได้รับการยกย่องให้เป็น "วิสาหกิจเทคโนโลยีขั้นสูงแห่งชาติ" ต่อเนื่องหลายปี ซึ่งแสดงให้เห็นถึงความสำเร็จอันโดดเด่นด้านนวัตกรรมเทคโนโลยีของเรา ในอนาคต Huayi จะยังคงมุ่งมั่นพัฒนาต่อไปอย่างไม่หยุดยั้ง โดยร่วมมือกับอุปกรณ์ตกแต่งใหม่ๆ เช่น เครื่องปรับผ้านุ่ม เครื่องซักผ้าระบบไอน้ำ และเครื่องอบผ้าแบบต่อเนื่อง เพื่อร่วมกันสร้างอนาคตที่สดใสยิ่งขึ้น เราจะมุ่งมั่นพัฒนาอุปกรณ์ตกแต่งอย่างต่อเนื่อง และมุ่งมั่นสู่ความสำเร็จในอีกยี่สิบปีข้างหน้าด้วยฝีมือและความมุ่งมั่น
ใบประกาศเกียรติคุณ
  • ใบรับรองสิทธิบัตร
  • ใบรับรองสิทธิบัตร
  • ใบรับรองสิทธิบัตร
  • ใบรับรองสิทธิบัตร
  • ใบรับรองสิทธิบัตร
  • ใบรับรองสิทธิบัตร
  • ใบรับรองสิทธิบัตร
  • ใบรับรองสิทธิบัตร
ข่าว
  • ในภูมิทัศน์การผลิตสิ่งทอสมัยใหม่ โดยเฉพาะอย่างยิ่งในภาคส่วนหมอน ผ้านวม และตุ๊กตาผ้า เครื่องไหลเวียนอากาศสำหรับสิ่งทอภายในบ้าน ได้กลายเป็นเทคโนโลยีชิ้นหนึ่งที่ขาดไม่ได้ อุปกรณ์พิเศษนี้มักเรียกกันว่าก เครื่องบรรจุเส้นใย หรือ ระบบเติมลม ใช้กระแสลมความเร็วสูงเพื่อขนส่งและกระจายวัสดุอุด เช่น เส้นใยโพลีเ...

    READ MORE
  • เครื่องฟอกหนังเป็นหมวดหมู่อุปกรณ์ตกแต่งขั้นสุดท้ายที่กำหนดลักษณะพื้นผิวของผลิตภัณฑ์สิ่งทอเชิงพาณิชย์ที่หลากหลายที่จำหน่ายทั่วโลกในปัจจุบัน ด้วยการขัดพื้นผิวผ้าด้วยกลไกด้วยลูกกลิ้งหรือกระบอกสูบที่หมุนได้ซึ่งหุ้มด้วยวัสดุที่มีฤทธิ์กัดกร่อน เครื่องหนังกลับจะเปลี่ยนพื้นผิวสิ่งทอเรียบๆ ให้เป็นผิวสีพีชที่อ่อนนุ่ม เนื้อสัมผัสนุ่ม...

    READ MORE
  • เครื่องฟ้องร้องในการตกแต่งสิ่งทอคืออะไร? ก เครื่องฟ้องร้อง ในการตกแต่งสิ่งทอเป็นหน่วยรักษาพื้นผิวเชิงกลที่สร้างพื้นผิวที่นุ่มนวลและนุ่มนวลบนผ้าโดยการควบคุมการเสียดสี เครื่องส่งผ้าภายใต้แรงตึงผ่านบริเวณที่กระบอกหมุนหนึ่งกระบอกหรือมากกว่านั้นหุ้มด้วยผ้าทราย กระดาษทราย หรือชิ้นส่วนขัดเคลือบเพชรสัมผัส...

    READ MORE
  • พลังของเธอ · ฉายแววบนเวทีอุตสาหกรรม เมื่อวันที่ 5 มีนาคม เขตตงโจว เมืองหนานทง จัดงานอย่างยิ่งใหญ่ในธีม "สตรีในนายกรัฐมนตรี การสร้างอนาคต" เพื่อเฉลิมฉลองวันครบรอบ 116 ปีวันสตรีสากล พร้อมด้วยการประชุมสัมมนาสำหรับผู้ประกอบการและนักสร้างสรรค์สตรีที่มีความโดดเด่น เลขาธิการพรรคเขตและนายกเทศมนตรีเขต Wu Xia ...

    READ MORE
  • จริงๆ แล้วเครื่องจักรเหล่านี้ทำอะไรได้บ้าง—และเหตุใดจึงสำคัญ เครื่องฟอกหนัง เครื่องแปรง และเครื่องบดหนังเป็นอุปกรณ์ตกแต่งพื้นผิวที่ใช้ในการเปลี่ยนคุณสมบัติสัมผัสและการมองเห็นของผ้าและเครื่องหนัง เครื่องจักรที่เหมาะสมจะกำหนดว่าผ้าสำเร็จรูปให้ความรู้สึกหรูหราหรือกระดาษทราย ไม่ว่าคุณกำลังแปรรูปวัสดุผสมไนลอน-ส...

    READ MORE
  • ปีที่แล้วในคืนเทศกาลโคมไฟ ตลาดดอกไม้สว่างราวกับแสงแดดด้วยโคมไฟ ปีนี้ในคืนเทศกาลโคมไฟ ลมปราณแห่งฤดูใบไม้ผลิพัดมาตามกิ่งก้าน เวลาผ่านไปและปีก็หมุนอีกครั้ง วงแหวนแห่งกาลเวลามีการเปลี่ยนแปลงอะไรบ้าง สิ่งที่ยังคงไม่เปลี่ยนแปลงคือความปรารถนาของเราในสิ่งที่สวยงาม ในค่ำคืนที่แสงอันเจิดจ้านี้ เครื่องจักร ...

    READ MORE
ข้อความตอบรับ
ความรู้อุตสาหกรรม

ในกระบวนการตกแต่งสิ่งทอระดับไฮเอนด์ การแปรงฟันเป็นขั้นตอนสำคัญที่มักใช้เพื่อปรับปรุงความรู้สึกและรูปลักษณ์ของผ้า ที่ เครื่องแปรงฟันความเร็วสูง VX7 ตัวอย่างที่เป็นตัวแทน ใช้เทคโนโลยีการแปรงคาร์บอนเซรามิก ซึ่งกำลังกลายเป็นกระแสหลักในอุตสาหกรรม และเหมาะอย่างยิ่งสำหรับการแปรรูปผ้าอเนกประสงค์และผ้ายืดระดับไฮเอนด์

เหตุใดจึงสำคัญมากสำหรับผ้าระดับไฮเอนด์?

ลูกกลิ้งแปรงคอมโพสิตคาร์บอนเซรามิก

ลูกกลิ้งแปรงคาร์บอนเซรามิกใช้การผสมผสานระหว่างคาร์บอนไฟเบอร์และอนุภาคเซรามิก โดยมีข้อดีที่สำคัญดังต่อไปนี้:

ความแข็งสูงและทนต่อการสึกหรอ: คุณลักษณะเด่นของเส้นใยคอมโพสิตคาร์บอนเซรามิกคือความแข็งพื้นผิว ซึ่งสูงกว่าวัสดุลูกกลิ้งแปรงแบบดั้งเดิม เช่น เหล็กหรือไนลอนมาก ความแข็งสูงนี้ไม่เพียงแต่ช่วยให้การแปรงพื้นผิวผ้าละเอียดมีประสิทธิภาพมากขึ้น แต่ยังช่วยยืดอายุการใช้งานของลูกกลิ้งแปรงอีกด้วย แม้ในการผลิตในปริมาณมากอย่างต่อเนื่อง ลูกกลิ้งแปรงจะหลีกเลี่ยงการสึกหรอ การแตกหัก หรือการสูญเสียประสิทธิภาพที่ไม่สม่ำเสมอเนื่องจากการสัมผัสกับเนื้อผ้าเป็นเวลานาน สำหรับโปรเซสเซอร์แฟบริคระดับไฮเอนด์ที่มุ่งมั่นเพื่อคุณภาพที่สม่ำเสมอและประสิทธิภาพสูง ความทนทานนี้ให้ข้อได้เปรียบในการผลิตที่สำคัญและประหยัดต้นทุน

ทนต่ออุณหภูมิสูงและทนต่อการเสียรูป: การขัดด้วยความเร็วสูงจะสร้างความร้อนจากการเสียดสีอย่างมากระหว่างลูกกลิ้งแปรงและผ้า วัสดุแบบดั้งเดิมมักจะเสียรูปเนื่องจากการสะสมความร้อนเป็นเวลานาน ส่งผลต่อความแม่นยำในการขัด ในทางกลับกัน คาร์บอนเซรามิกมีเสถียรภาพทางความร้อนที่ดีเยี่ยม โดยรักษาความแข็งแกร่งของโครงสร้างและความแม่นยำแม้ภายใต้ความเร็วสูงและโหลดสูง ไม่ทำให้นุ่ม ขยาย หรือสูญเสียความกลมเนื่องจากความร้อน ทำให้มั่นใจในการขัดที่แม่นยำและสม่ำเสมอในการขัดทุกครั้ง ให้การรักษาพื้นผิวที่มั่นคงและเชื่อถือได้สำหรับผ้าระดับไฮเอนด์

ความแม่นยำในการขัดระดับไฟเบอร์: ลูกกลิ้งแปรงคาร์บอนเซรามิกไม่เพียงแต่มีความแข็งมากเท่านั้น แต่ยังมีการควบคุมการสัมผัสด้วยกล้องจุลทรรศน์ที่ยอดเยี่ยมอีกด้วย ในระหว่างการสัมผัสกับเนื้อผ้า มันจะหวีลึกผ่านเส้นใยแต่ละพื้นผิว ดึงเส้นขนที่ซ่อนอยู่ออกมา และเพิ่มความรู้สึกนุ่มและคุณภาพสัมผัส การขัดด้วยคาร์บอนเซรามิกใช้แรงกดที่สมดุลและอ่อนโยน ซึ่งต่างจากการขัดแบบรุนแรง เพื่อหลีกเลี่ยงความเสียหายต่อโครงสร้างเส้นใยหลักของผ้า และป้องกันปัญหาด้านคุณภาพ เช่น การติดขัด การหลุดร่วง และการแตกหัก วิธีการขัด "ลึกแต่ควบคุมได้" นี้เหมาะอย่างยิ่งสำหรับวัสดุที่มีความละเอียดอ่อนสูง เช่น เส้นใยอเนกประสงค์ ผ้ายืดหยุ่น และผ้าน้ำหนักเบา และเป็นกุญแจสำคัญในการบรรลุผลการขัด "ระดับไฮเอนด์"

ผลการขัดที่นุ่มนวลและสม่ำเสมอ เหมาะสำหรับวัสดุคุณภาพสูงหลากหลายชนิด

แปรงเหล็กหรือไนลอนแบบดั้งเดิมมักทำให้เกิดปัญหาเมื่อขัดผ้าที่ยืดหยุ่นและเส้นใยละเอียดพิเศษ เช่น การร้อยเชือก การแตกหัก การกีดขวาง การขุยหรือการหลุดร่อน ความรู้สึกหยาบ และพื้นผิวที่ไม่สอดคล้องกัน เทคโนโลยีการแปรงคาร์บอนเซรามิก โดยรับประกันการสัมผัสของเส้นใยที่มั่นคงและเส้นทางการแปรงที่สม่ำเสมอ ช่วยขจัดปัญหาเหล่านี้พร้อมทั้งรับประกันผลการขัดที่ราบรื่น เหมาะอย่างยิ่งสำหรับผ้าประเภทต่อไปนี้:

ไนลอนผสมสแปนเด็กซ์: ไนลอนผสมสแปนเด็กซ์ถูกนำมาใช้กันอย่างแพร่หลายในชุดกีฬาและชุดชั้นในที่สร้างรูปทรงเนื่องจากมีความยืดหยุ่นและความพอดีที่ดีเยี่ยม ผ้าเหล่านี้ต้องการการปกป้องเส้นใยที่สูงมากในระหว่างการขัด และการดูแลเพียงเล็กน้อยก็อาจทำให้เส้นใยแตกหัก สูญเสียความยืดหยุ่น หรือเป็นขุยได้ แปรงคาร์บอนเซรามิกที่มีการสัมผัสระดับเส้นใยและเอาต์พุตที่เสถียร ทำให้พื้นผิวนุ่มขึ้นและเพิ่มความรู้สึกนุ่มนวลโดยเกิดความเสียหายจากการเสียดสีน้อยที่สุด ทำให้มั่นใจได้ว่าเนื้อผ้ายังคงความยืดหยุ่นแบบเดิม ในขณะเดียวกันก็ให้ความรู้สึกสบายและคุณภาพของภาพมากขึ้น ผ้าโพลีเอสเตอร์ Ultrafine/ผ้าใยเกาะในทะเล: เส้นผ่านศูนย์กลางเส้นใยเดี่ยวของผ้าโพลีเอสเตอร์ Ultrafine และผ้าใยเกาะในทะเลมีขนาดเล็กกว่าเส้นใยธรรมดามาก ส่งผลให้พื้นผิวผ้ามีความหนาแน่นและเรียบเนียนขึ้น ทำให้มีความต้องการความแม่นยำในการแปรงสูงมาก ผ้าเหล่านี้มักจะสวมใส่ติดกับผิวหนัง และไวต่อความสม่ำเสมอและเป็นมิตรกับผิวหนังของสัมผัสกำมะหยี่เป็นพิเศษ ลูกกลิ้งแปรงแบบดั้งเดิมสามารถรบกวนการจัดเรียงเส้นใยละเอียดได้อย่างง่ายดายด้วยความเร็วสูง ส่งผลให้เกิดผมยุ่งเหยิงหรือสีที่แตกต่างกัน ในทางกลับกัน ลูกกลิ้งแปรงคาร์บอนเซรามิกให้การควบคุมรายละเอียดที่ยอดเยี่ยมและสามารถประมวลผลได้อย่างแม่นยำระดับไมครอน สิ่งนี้ช่วยเพิ่มความรู้สึกกำมะหยี่ของพื้นผิวผ้าอย่างสม่ำเสมอโดยไม่กระทบต่อโครงสร้างเส้นใย ทำให้ได้เนื้อผ้าที่ละเอียดอ่อนและอ่อนโยนซึ่งเป็นที่ต้องการของเสื้อผ้าที่เน้นการใช้งานระดับไฮเอนด์

ผ้าถักที่มีความหนาแน่นสูง: ผ้าถักที่มีความหนาแน่นสูงมีการใช้กันอย่างแพร่หลายในชุดลำลองระดับไฮเอนด์ เครื่องแต่งกายทางธุรกิจ และผ้าอุตสาหกรรมเฉพาะทาง เนื่องจากโครงสร้างที่กะทัดรัด ผ้าเหล่านี้จึงอาจเกิดการยืดตัว การเสียรูป และแม้กระทั่งร่องบนพื้นผิวในระหว่างการแปรง ซึ่งส่งผลกระทบร้ายแรงต่อรูปลักษณ์และคุณภาพของผลิตภัณฑ์สำเร็จรูป ลูกกลิ้งแปรงคาร์บอนเซรามิกรักษาแรงกดของเส้นที่สม่ำเสมอสูงและความแม่นยำในการสัมผัสระหว่างการแปรง ป้องกันแรงตึงที่ไม่สม่ำเสมอแม้ที่ความเร็วสูง ช่วยให้มั่นใจได้ถึงความรู้สึกที่สม่ำเสมอของกองผ้าและมือทั่วทั้งผ้าตั้งแต่ขอบถึงกึ่งกลางและตั้งแต่ต้นจนจบ ซึ่งช่วยปรับปรุงคุณภาพโดยรวมและความเสถียรของผลิตภัณฑ์ของผ้าสำเร็จรูปได้อย่างมาก

การปรับปรุงเสถียรภาพของกระบวนการและประสิทธิภาพการผลิต

การใช้ระบบลูกกลิ้งแปรงคาร์บอนเซรามิกกับเครื่องแปรงฟันความเร็วสูง VX7 นำเสนอมากกว่าการอัพเกรดวัสดุ โดยแสดงถึงนวัตกรรมที่ครอบคลุมในด้านผังกระบวนการ ผลผลิต และการควบคุมต้นทุน

อายุการใช้งานยาวนานขึ้นและความถี่ในการบำรุงรักษาลดลงอย่างเห็นได้ชัด:ในสภาพแวดล้อมการผลิตต่อเนื่องความเร็วสูง ลูกกลิ้งแปรงแบบดั้งเดิม เช่น ลูกกลิ้งเหล็กและไนลอน เนื่องจากคุณสมบัติของวัสดุที่จำกัด จึงมีแนวโน้มที่จะเกิดครีบ การสึกหรอ การเสียรูปจากความร้อน และพื้นผิวการแปรงที่ไม่สม่ำเสมอหลังจากการทำงานเป็นเวลานาน ซึ่งจำเป็นต้องเปลี่ยนบ่อยครั้ง เพิ่มต้นทุนการบำรุงรักษา และส่งผลกระทบต่อเสถียรภาพและประสิทธิภาพของสายการผลิต ลูกกลิ้งแปรงคาร์บอนเซรามิกพร้อมคุณสมบัติทางกายภาพที่เหนือกว่า ให้ข้อได้เปรียบที่สำคัญในแง่ของอายุการใช้งาน มีความแข็งพื้นผิวสูงมากและทนต่อการสึกหรอดีเยี่ยม ต้านทานการเสียดสีพื้นผิวในระหว่างการแปรงฟันที่มีความเข้มข้นสูงได้อย่างมีประสิทธิภาพ นอกจากนี้ยังมีความต้านทานต่ออุณหภูมิสูงได้ดีเยี่ยม ต้านทานการอ่อนตัวหรือการเสียรูป แม้ภายใต้ความร้อนจัดที่เกิดจากการทำงานที่ความเร็วสูง นอกจากนี้ วัสดุคาร์บอนเซรามิกยังต้านทานการกัดกร่อนและออกซิเดชันได้ดีเยี่ยม ทำให้เหมาะสำหรับสภาพแวดล้อมการทำงานที่ชื้น ร้อน และซับซ้อนทางเคมี ช่วยให้มั่นใจได้ถึงการทำงานที่มั่นคงและเชื่อถือได้ในระยะเวลานาน คุณสมบัติเหล่านี้ช่วยขยายรอบการเปลี่ยนทดแทนได้อย่างมาก ลดการหยุดทำงานโดยไม่ได้วางแผน และลดความถี่ในการบำรุงรักษา ช่วยให้บริษัทต่างๆ สร้างระบบการจัดการการผลิตที่มีประสิทธิภาพและควบคุมได้

การแปรงฟันสม่ำเสมอด้วยความเร็วสูง: เนื่องจากเครื่องแปรงฟันความเร็วสูงที่ออกแบบมาโดยเฉพาะสำหรับผ้าระดับไฮเอนด์ ระบบลูกกลิ้งแปรงของ High Speed ​​Brushing Machine VX7 จะต้องรักษาเสถียรภาพในการประมวลผลที่ยอดเยี่ยม แม้จะมีการทำงานอย่างต่อเนื่องที่ความเร็วของเส้นสูงและรอบเวลาที่ยาวนาน ด้วยความสมดุลแบบไดนามิกและความแข็งแรงของโครงสร้างที่ยอดเยี่ยม ลูกกลิ้งแปรงคาร์บอนเซรามิกจึงรักษาแรงแปรงที่มั่นคงและการสัมผัสของแปรงที่สม่ำเสมอแม้ที่ความเร็วสูง ช่วยให้มั่นใจได้ถึงรอยแปรงที่สม่ำเสมอและพื้นผิวที่คมชัด ในขณะเดียวกันก็หลีกเลี่ยงปัญหาต่างๆ เช่น การข้าม การแปรงมากเกินไป และการพลาดการแปรงบางส่วน ความสามารถในการบรรลุ "ความแม่นยำที่มั่นคง" แม้ที่ความเร็วสูง ส่งผลให้ได้ผลลัพธ์การรักษาพื้นผิวที่สม่ำเสมอและทำซ้ำได้สูง พร้อมด้วยการควบคุมที่ดีเยี่ยม ช่วยเพิ่มคุณภาพโดยรวมและความสามารถในการแข่งขันในตลาดของผ้าระดับไฮเอนด์ได้อย่างมาก ซึ่งเป็นผลงานที่ไม่มีใครเทียบได้กับลูกกลิ้งแปรงแบบดั้งเดิม

การบูรณาการที่สมบูรณ์แบบของการปรับอัตโนมัติและระบบควบคุมแบบดิจิตอล: เครื่องแปรงฟันความเร็วสูง VX7 รวมระบบการปรับอัตโนมัติขั้นสูงเข้ากับโมดูลการจัดการพารามิเตอร์กระบวนการดิจิทัล ทำให้สามารถควบคุมผ้าจากวัสดุและแบทช์ที่หลากหลายได้อย่างแม่นยำ ลูกกลิ้งแปรงคาร์บอนเซรามิกให้การตอบสนองที่ยอดเยี่ยมและคุณสมบัติทางกลที่มีความเสถียรสูง โดยทำงานร่วมกับระบบอัตโนมัติอย่างมีประสิทธิภาพเพื่อให้แน่ใจว่าพารามิเตอร์หลัก เช่น แรงกดของแปรงและเส้นทางการเคลื่อนที่ ได้รับการปรับให้เข้ากับข้อกำหนดของกระบวนการโดยอัตโนมัติ การบูรณาการนี้ยังช่วยให้สามารถควบคุมได้หลายขั้นตอนและบันทึกข้อมูลกระบวนการทั้งหมดในระหว่างกระบวนการแปรงฟัน การบูรณาการเชิงลึกนี้ไม่เพียงแต่ปรับปรุงความสะดวกในการดำเนินงานและประสิทธิภาพการผลิตอย่างมีนัยสำคัญ แต่ยังช่วยลดการพึ่งพาประสบการณ์ของผู้ปฏิบัติงานได้อย่างมาก โดยย้ายกระบวนการแปรงจากการพึ่งพาทักษะส่วนบุคคลไปเป็นกระบวนการที่ได้มาตรฐานและดิจิทัล ปรับปรุงการควบคุมคุณภาพและความสม่ำเสมอของแบทช์อย่างครอบคลุม